Mego D4

Type: D4
Serienummer: 82
Bouwjaar: 1928
Buizen: A442 , A415 , B406 , B403
Deze radio is gebouwd door de firma Meerding
en Goedhart uit Helmond.
Vandaar de merknaam Mego.
Meer over Mego.
|
Chassis |
Onderaanzicht |
|
Bovenaanzicht in kast |
Deurtjes gesloten |
Restauratie verslag MEGO D4
Het zal ergens begin jaren 80 geweest zijn dat ik bij een tante
van mij was en zo kwam het ter sprake dat ik wel interesse had in oude radio's.
Zij vertelde mij dat de schoonouders van mijn nichtje de fietsen zaak aan het
verbouwen waren en dat daar een paar oude radio's gevonden waren.
Dus ik daar maar eens gaan kijken en zo ben ik in het bezit van deze radio
gekomen met de mededeling:
"neem hem maar vlug mee want ik had hem al bijna in de container gemikt".
Destijds heb ik de radio bekeken en aan het spelen gebracht.
De kast is toen door een kennis van mij opgeknapt maar aangezien de originele
deurtjes krom waren getrokken en ook nog eens gekrompen, zijn er destijds nieuwe
deurtjes gemaakt van multiplex.
Ook zijn de ontbrekende en defecte knopjes destijds vervangen door andere
knopjes.
Daarna is er aan deze radio nooit meer iets gedaan.
De originele deurtjes heb ik gelukkig nog wel, de restanten van de knopjes
helaas niet.
Besloten is nu om deze radio eens goed te gaan restaureren en zo ver als
mogelijk weer in de originele toestand terug te brengen.
De radio zoals ik hem al 30 jaar heb.
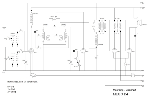
Voor een restauratie is het wel handig als je een schema ter
beschikking hebt.
Normaal gesproken heb je op internet zo een schema gevonden.
Maar aangezien dit soort radio's erg zeldzaam zijn zit er maar een ding op.
Backwards engineering, oftewel zelf uitpluizen en optekenen.
Dus eerst een groot vel papier en uitzoeken maar.
Gelukkig zijn dit soort radio's vrij simpel van opzet dus erg ingewikkeld is dit
niet.
Vervolgens met een teken programma in de weer om er iets netjes van te maken en
zie hier het schema van de MEGO D4.
Klik op het schema voor een vergroting.
Om te beginnen eerst de frontplaat demonteren, hiervoor moesten
eerst de knoppen verwijderd worden.
Daarna de asmoeren los maken en vervolgens de schroefjes verwijderen.
De afscherming welke aan de achterkant van het front is gemonteerd word ook
verwijderd.

Als laatste word ook het naamplaatje verwijderd, deze zit met
twee spijkertjes gemonteerd welke tijdens het demonteren gesneuveld zijn.
Nu kunnen de knoppen en de frontplaat gereinigd worden.
De verf van de schaalverdeling op de twee grote knoppen alsook de zes lijnen op
het front was al behoorlijk vervaagd en na de wasbeurt is deze nog verder
verdwenen.
Deze zal dus opnieuw aangebracht moeten worden.
De tekst en de belijning is in reliëf uitgevoerd dus hiervoor word gebruik
gemaakt van een witte lakstift welke ik in een bouwmarkt gevonden heb.

Eerst ruim insmeren zodat alles bedekt is
Na ongeveer 15 minuten drogen word met een doek de overtollige verf verwijderd
zodat alleen de dieper gelegen delen wit blijven.

Nu word het front nog een keer in de blanke was gezet en goed uitgewreven.
Het naamplaatje zat er scheef op dus deze kan nu meteen recht gemonteerd worden,
hiervoor word aan een kant een nieuw gaatje geboord en met twee spijkertjes word
deze weer vast gezet.

De beide afstemcondensatoren worden nagekeken en goed gereinigd.
Deze zijn van Saba type Orthometer.
Als eerste worden deze op het front gemonteerd.

Daarna worden de schroefjes en telefoon bussen met de Dremel en
polijstborsteltje gereinigd en daarna kan alles weer in elkaar gezet worden.
Ook word de afscherming op het front weer verbonden met de afscherming onder het
chassis.

Links onder de primaire afstemcondensator.
Rechts onder de secundaire afstemcondensator.
Daartussen de terugkoppeling.
Links boven de gloeidraad potmeter van de HF buis.
Rechts boven de gloeidraad potmeter van de beide LF buizen.
Midden boven de 3 standenschakelaar,
Stand 0 = Uit.
Stand 1 = MG
Stand 2 = LG
Nu het front weer gemonteerd is zijn de overige componenten aan
de beurt.
Als eerste de condensatoren, waar nodig word deze aan een zijde losgenomen en met een
capaciteits meter word de waarde gecontroleerd.
Daarna met een weerstand in serie de werkspanning aanbrengen om zo de lekstroom
te kunnen meten.
Deze bedraagd hooguit slechts enkele microamperes dus de condensatoren zijn in
orde.

Vervolgens de rooster lekweerstand, deze meet nog mooi 2MOhm dus ook prima in
orde.
Alleen zit deze te los in de houder dus de klemmen even flink aan knijpen en ook
dat werkt weer.
Ook de instelpotmeter aan de detectorbuis functioneerd nog prima.

Als laatste zijn de beide smoorspoelen en de beide koppeltrafo's aan de beurt.
Deze functioneren allen nog prima.

Van de bandschakelaar worden de contacten goed gereinigd.
Mooi is ook om te zien hoe de buisvoeten gemaakt zijn, deze zijn met de hand gezaagd en voorzien van aansluitbussen.

Aangezien een radio ook een achterkant heeft moet ook dat er
fatsoenlijk uit zien.
Dus het paneeltje met aansluitbussen moet grondig onder handen genomen worden.

Eerst worden alle draden losgenomen, daarna kunnen de bussen los
geschroefd worden.
Het ebonieten plaatje wordt vervolgens goed afgesopt en met Brasso gepoetst
zodat dit weer mooi glimt.
Daarna worden de bussen met de Dremel met polijst borsteltje onder handen
genomen.
Uiteraard worden ook de schroefjes gepoetst.

Vervolgens wordt het paneeltje weer netjes in elkaar gemonteerd en
teruggeplaatst op de radio.
Als laatste de draden weer aansluiten en dit ziet er weer prima uit.

De radio is spelend weggezet en af en toe heb ik hem nog eens
aangesloten dus zou alles het nog gewoon moeten doen.
Dus de benodigde spanningen, aarde en antenne worden aangesloten en de radio
speelt dan ook prima.

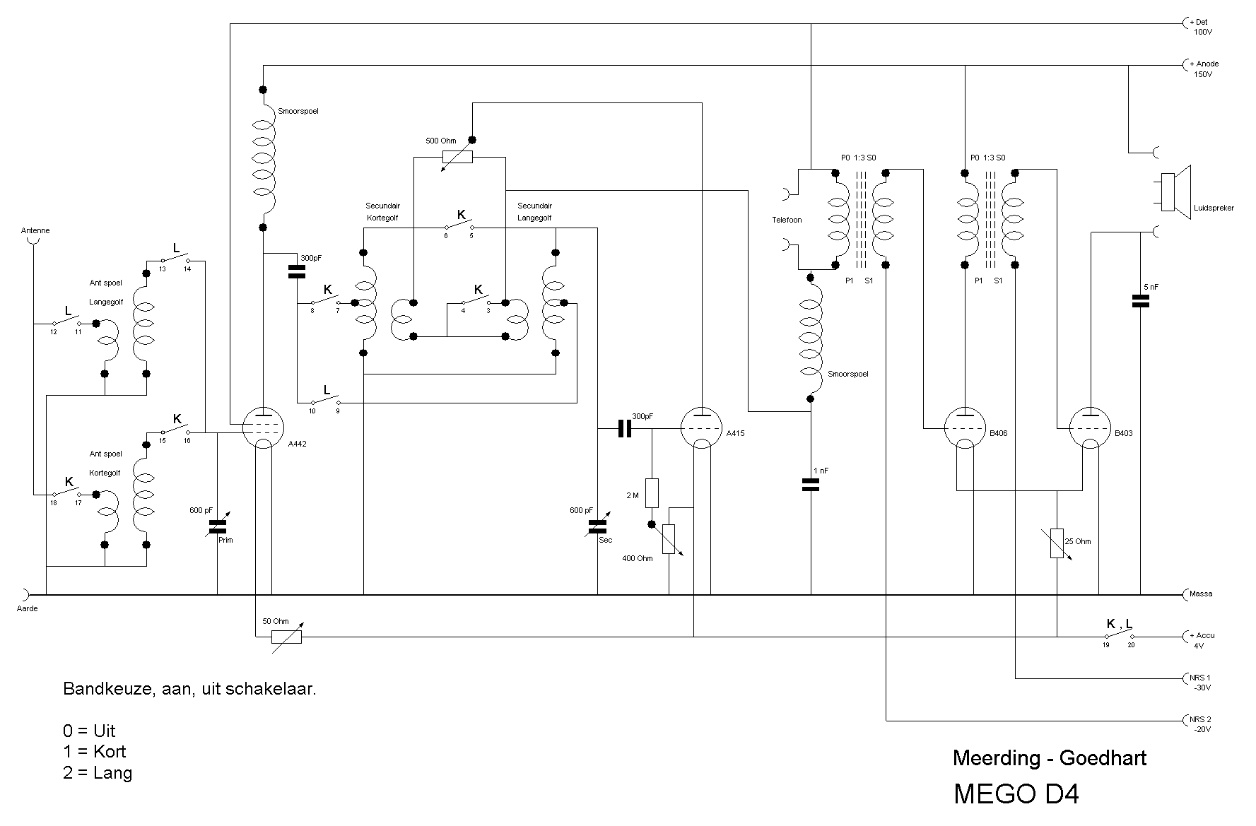
Boven aanzicht van het chassis.
Deze is gebouwd op een houten chassis welke van binnen met bladkoper is
bekleed.
Rechts de A442 HF buis.
Links boven achter de spoel de A415 detector.
Links midden de B406 LF buis.
Links onder de B403 Eind buis.
De staande spoel is de MG detectorkring.
De liggende spoel is de LG detectorkring.
Verder nog zichtbaar de HF smoorspoel van de A442 en de beide gloeistroom
regelaars.
In het midden zit de golfbereik schakelaar gemonteerd.
Achter op het chassis het aansluitbordje voor de diverse spanningen,
luidspreker, antenne en aarde.

Onder aanzicht van het chassis.
Het houten chassis is voorzien van bladkoper voor de nodige afscherming.
Onder de twee afstemcondensatoren met daar tussen de terugkoppel potmeter.
Links tegen de zijkant de beide LF koppeltrafo's met daarnaast de HF
smoorspoel van de A415 detector.
Verder nog de twee antennekringen, links de LG antennekring, rechts de MG antennekring.
Nu het chassis speelt is de kast aan de beurt.
Deze moet eerst goed blank gemaakt worden en vervolgens opnieuw in
de was worden gezet.
Eerst maar eens kijken hoe het een en ander in alkaar zit.

Het blijkt dat het onderste deel met schroefjes in elkaar is
gezet dus ook gemakkelijk weer uit elkaar te halen is.
Dat maakt het schoonmaken wel een stuk eenvoudiger.
De deurtjes, het deksel en de onderkast worden gedemonteerd.

De lade en de plankjes worden blank gemaakt en geschuurd en
daarna in de antiekwas gezet.
Na uitwrijven kan dit deel alvast weer in elkaar gezet worden.

De bovenkast zit met spijkertjes in elkaar en is tevens gelijmd,
dus die moet in een geheel worden schoongemaakt.
Er zit een scheur in een van de zijpanelen bij het scharnier van een deurtje.

Deze scheur wordt opgevuld met houtlijm en met behulp van twee blokjes en een lijmtang wordt dit gefixeerd.

De tussenlijst is met spijkers bevestigd dus die kan gedemonteerd worden.
De volgende stap is het schuren van de tussenlijst en de bovenkast.
Alle kast delen en ook de deksel worden nu in de antiekwas gezet en goed
uitgepoetst.

Nu kan de lijst aan de bovenkast gemonteerd worden en vervolgens word de onderkast aan de bovenkast gemonteerd.

De klemmen en de scharniertjes worden aan de deksel gemonteerd.

En het slotje word weer in de kast gemonteerd.

Tenslotte word de deksel gemonteerd en is de kast zover klaar.

De beide deurtjes zijn in de loop der jaren kromgetrokken en ook nog eens gekrompen.

Eerst maar eens proberen of ik ze weer recht kan krijgen.
Na een oproep op het radioforum een aantal tips gekregen dus daar gaan we dan.
Als eerste de deurtjes door en door nat maken.
Daarvoor worden ze een paar dagen in een bak met water gelegd totdat ze
doorweekt zijn.

Eerst een natte handdoek op de workmate leggen en daarop de
deurtjes met de holle zijde leggen.
Boven op de deurtjes weer een natte handdoek leggen en vervolgens twee plankjes
erop en met lijmtangen vastklemmen
Dagelijks de bovenste handdoek nat maken en opnieuw inklemmen.
Na ongeveer een week is de onderste handdoek aardig droog geworden en zijn de
deurtjes weer mooi recht geworden.

Nu moeten de deurtjes gedroogd worden, daarvoor worden er in de
lengterichting extra latjes gelegd.
Zodat ze met behulp van een aantal ventilatoren gedroogd kunnen worden.
Dagelijks de bovenkant van de deurtjes met behulp van een fohn warm maken en
weer inklemmen.

Na ongeveer twee weken is alles kurkdroog en weer mooi recht.
Om nu te voorkomen dat ze na verloop van tijd weer krom gaan trekken worden er
metalen strips in gefreesd.
Aan de kopse kanten worden sleuven gefreesd van 4mm breed.
Hiervoor word met behulp van de Dremel een freesbankje geimproviseerd.

Er worden vier stalen strips op maat gemaakt van 4mm dik en 10mm breed.

Vervolgens worden deze in de gefreesde sleuven gelijmd.

En met op kleur gebrachte plamuur worden de sleuven opgevuld.

Nu de deurtjes weer recht zijn blijft nog het probleem dat ze in
de breedte gekrompen zijn.
Dit is het mooiste op te lossen door aan de zijkanten waar de scharnieren zitten
dunne latjes te monteren.
Hiervoor worden twee latjes op de juiste dikte van 3 mm gemaakt.

Vervolgens worden deze aan de zijkant van de deurtjes gelijmt en ingeklemt totdat de lijm goed gedroogd is.


Op het front zijn de zijstukken iets dunner, hier heeft fineer
gezeten welke is verdwenen.
Eerst maar eens kijken of ik ergens geschikt fineer hievoor kan vinden.
Na het nodige speurwerk uiteindelijk bij een houthandel in Amsterdam terecht
gekomen waar een zolder vol fineer aanwezig is.
Na een tijdje zoeken een mooi stuk Amerikaans noten fineer
uitgezocht.
Hiervan worden eerst stroken afgesneden.
De rand word ingesmeerd met lijm.

En daarna worden de stroken aangebracht.

Om er voor te zorgen dat het fineer mooi vlak komt te zitten worden de twee
deurtjes met een opgevouwen handdoek
ertussen ingeklemt in de Workmate zodat ze netjes kunnen drogen.

Nu de eerste rand klaar is, is de tegenover gelegen rand aan de beurt.
De hoeken worden onder 45 graden uitgesneden en de boven en
onderkant worden op de zelfde manier aangebracht.
De uitstekende delen worden weggesneden en vlak geschuurd.

Nu alles nog een keer schuren en in de was zetten.

Door het aangebrachte latje passen de scharniertjes niet meer in
de originele uitsparingen.
Om te voorkomen dat ze verschuiven worden deze eerst met lijm ingesmeerd en
daarna vastgezet.

Misschien nog wel het lastigste probleem is het feit dat de drie
knopjes zijn verdwenen.
Zie die nog maar eens ooit te vinden.
Gelukkig heeft een medeverzamelaar ook een MEGO D4 met op de lade de originele
knopjes.
Dus gewapend met fototoestel en schuifmaat het knopje opgemeten.

Deze bestaan uit een blikken plaatje met daarop een houten
knopje.
Gelukkig had ik nog een zo'n blikken plaatje al die tijd bewaard dus deze kan
nagemaakt worden.
De aangewezen persoon hiervoor is Wim Jaegers uit Venray.
Het originele plaatje word opgestuurd en hiervan worden kunststof replica's
gemaakt.
Na het maken van een mal worden er een aantal gegoten en
vervolgens zwart gespoten.
Zo, hier hebben we er voorlopig wel genoeg van.

En nu nog het houten knopje.
Hiervoor heb ik iemand gevonden in de Achterhoek die dat wel zou kunnen maken.
Aan de hand van de nodige foto's en een tekening zijn deze uitgefreesd en daarna nog in de primer
gezet.

Vervolgens nog een gaatje er in boren en daarna zwart spuiten.

Het originele knopje is aan de bovenkant blank gelaten.
Dit heb ik opgelost door er een stukje fineer in te plakken.
Bij het maken van het knopje is er al rekening mee gehouden door de uitsparing
wat dieper te maken.
Eerst word er een passend ringetje gevonden welk precies in de uitsparing past.
Dit word als mal gebruikt om een aantal rondjes uit het fineer te knippen.

Deze rondjes worden vervolgens in de uitsparing gelijmd.

Nu nog even de knopjes in de was zetten en daarna kunnen ze gemonteerd worden.
Een op het deurtje en twee op de lade.

Vervolgens het chassis in de kast plaatsen en de deurtjes op de kast monteren.

Nog een laatste test en alles werkt perfect.
